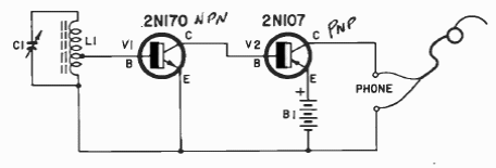
Encontrado numa documentação de 1966, este receptor para ondas médias faz uso de transistores de germânio da época. O fone é de alta impedância e a bobina de tipo comercial da época.

Encontrado numa documentação de 1966, este receptor para ondas médias faz uso de transistores de germânio da época. O fone é de alta impedância e a bobina de tipo comercial da época.
