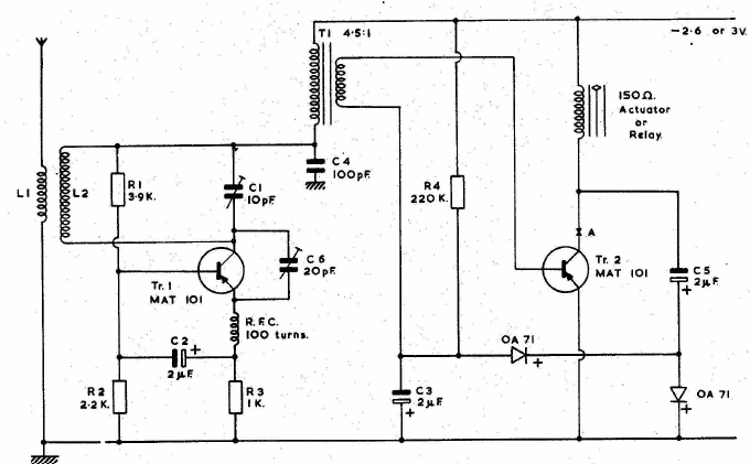
Este circuito detector super regenerativo foi encontrado numa documentação inglesa de 1963. A bobina é de acordo com a frequência. Os transistores são de germânio da época.
Este circuito detector super regenerativo foi encontrado numa documentação inglesa de 1963. A bobina é de acordo com a frequência. Os transistores são de germânio da época.