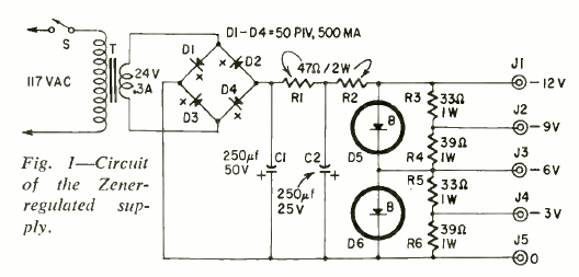
Esta fonte de alimentação de 4 tensões usando diodos zener tem uma corrente máxima recomendada de 25 mA. O circuito foi encontrado na revista Radio Electronics de maio de 1966.

Esta fonte de alimentação de 4 tensões usando diodos zener tem uma corrente máxima recomendada de 25 mA. O circuito foi encontrado na revista Radio Electronics de maio de 1966.
