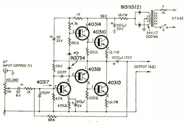
Este amplificador transistorizado foi publicado na revista Radio Electronics de julho de 1965. Ele utilizava transistores de silício recém-lançados com uma excelente qualidade de som.
Este amplificador transistorizado foi publicado na revista Radio Electronics de julho de 1965. Ele utilizava transistores de silício recém-lançados com uma excelente qualidade de som.