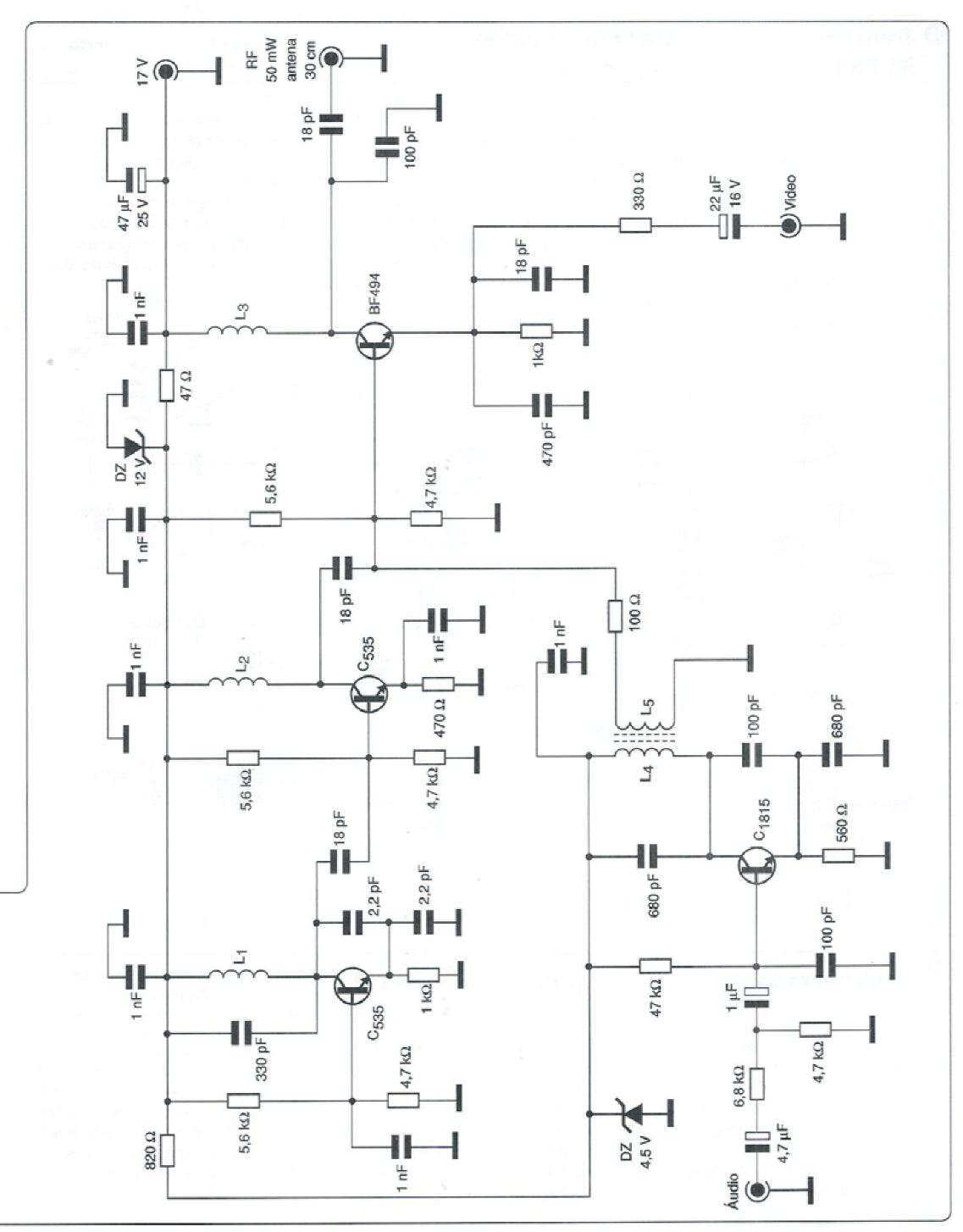
Este pequeno transmissor de TV, de ai canoa domiciliar, opera na faixa de 174 a 216 MHz que corresponde aos canais de 7 ao 13. Ele pode ser usado como link domiciliar em hotéis ou clubes, Como se trata de montagem de alta frequência há necessidade de tomar cuidado com o projeto da placas, e as ligações devem ser as mais curtas possíveis.
A placa de circuito impresso, preferivelmente deve ser de fibra de vidro e as bobinas utilizadas têm as seguintes características:
L1- 4 espiras em 3,5 mm, Nessa bobina faz-se o ajuste da frequência, apertando ou soltando-se as espiras.
L2, L3- iguais L1
L4— 27 espiras sobre um transformador de FI de 3 mm com núcleo de ferrite. Esse núcleo deve ser ajustado para se obter um som nítido no canal sintonizado.
L5 - 8 espiras sobre L4.
O fio para as bobinas de poucas espiras pode ser o 24 AWG ou 26 e para as de 27 e 8 espiras o fio 32.
A alimentação deve ser feita por fonte com excelente filtragem, para que não ocorram ondulações na imagem e roncos no som. A antena deve ter cerca de 30 cm de comprimento. Ivan Fernando Roberto - Avaré - SP . Publicado na revista Eletrônica Total 124 de 2007.
















