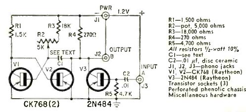
Utilizando transistores da época, este circuito foi publicado na revista Radio Electronics de novembro de 1961 servindo para dividir a frequência de um oscilador a cristal de 40 kHz.

Utilizando transistores da época, este circuito foi publicado na revista Radio Electronics de novembro de 1961 servindo para dividir a frequência de um oscilador a cristal de 40 kHz.
