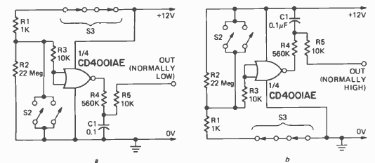
Estes circuitos evitam o repique em sistemas de alarmes. O circuito indicado é para sensores ligados em paralelo.

 


 

 

 

 

NO YOUTUBE


NOSSO PODCAST