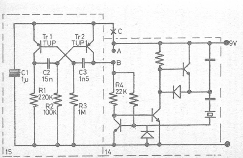
Encontramos este circuito numa publicação inglesa antiga. Os transistores são de uso geral e o bloco entre linhas pontilhadas é o circuito anterior. A frequência da modulação é dada por C2 e C3.

Encontramos este circuito numa publicação inglesa antiga. Os transistores são de uso geral e o bloco entre linhas pontilhadas é o circuito anterior. A frequência da modulação é dada por C2 e C3.
