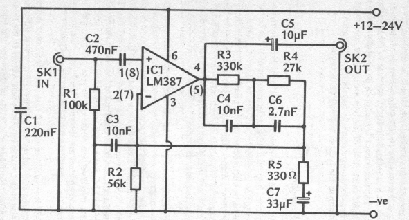
Encontrado em documentação inglesa de 1989, este circuito aparece em outros pontos deste site, retirado de outras fontes. O circuito não necessita de fonte simétrica.

Encontrado em documentação inglesa de 1989, este circuito aparece em outros pontos deste site, retirado de outras fontes. O circuito não necessita de fonte simétrica.
