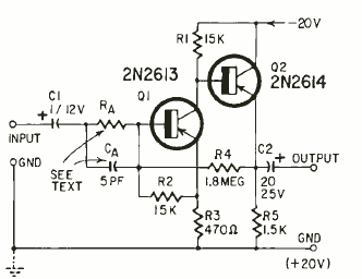
Este circuito é um adaptador de impedância. O circuito é de uma Radio Electronics de abril de 1966. O circuito adapta um sinal de alta impedância para sua aplicação numa linha de baixa impedância.

Este circuito é um adaptador de impedância. O circuito é de uma Radio Electronics de abril de 1966. O circuito adapta um sinal de alta impedância para sua aplicação numa linha de baixa impedância.
