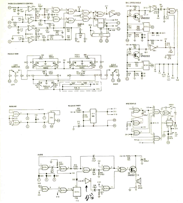
Este é um dos primeiros games que surgiu nos anos 70. Este é de uma revista Radio Electronics de junho de 1976 usando componentes da época. O jogo é o tele-tenis que logo depois saiu aqui em uma versão mais simples e de melhor desempenho.
Este é um dos primeiros games que surgiu nos anos 70. Este é de uma revista Radio Electronics de junho de 1976 usando componentes da época. O jogo é o tele-tenis que logo depois saiu aqui em uma versão mais simples e de melhor desempenho.