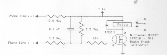
Este circuito para telefones antigos analógicos é de uma documentação da época. Ele controla um relé que pode ser usado para ligar e desligar a extensão.

Este circuito para telefones antigos analógicos é de uma documentação da época. Ele controla um relé que pode ser usado para ligar e desligar a extensão.
