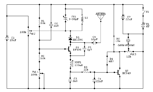
Este circuito foi enviado pelo leitor e colaborador Adriano Muniz Moura de Pirapora – MG. O projeto apresentado é usado para a recepção na faixa de FM (87,9MHz a 109,9MHz ) e pode ser usado em conjunto com um amplificador áudio e pode captar emissoras localizadas á vários quilômetros de distância. A base do circuito é um diodo varicap assim firmando o sinal recebido pelo receptor e a antena usada pode ser qualquer uma tipo telescópica comum. Os resistores usados são de 1/8 w e os capacitores são para 12v. A fonte de alimentação usada pode ser qualquer uma que tenha boa filtragem ou mesmo pilhas do tipo AA. O capacitor variável CV1 é de 3-50pF tipo plástico comum e a bobina L1 é formada por 5 espiras de fio 18 com 1cm de diâmetro sem núcleo e pode ser ajustada juntamente com trimmer (apertando-a). Os potenciômetros pot1 e pot2 são usados para ajuste da seletividade do circuito e para melhor uso do mesmo pode ser levado sua saída ao amplificador. A placa usada deve ser do tipo fibra de vidro para uma maior qualidade de sinal.
















