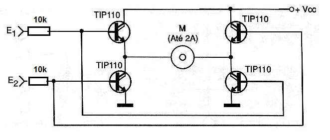
Uma ponte de maior sensibilidade e, portanto, menor consumo para as saídas do microcontrolador é a mostrada a seguir, fazendo uso de transistores Darlington. Esta ponte tem 4 estados possíveis, 00 para o motor parado, 01 e 10 para os dois sentidos de rotação e o estado proibido 11 que leva todos os transistores à condução e com isso uma situação de curto-circuito. Os transistores devem ser dotados de dissipadores de calor. A alimentação separada para os motores pode ficar entre 3 e 15 V.
















