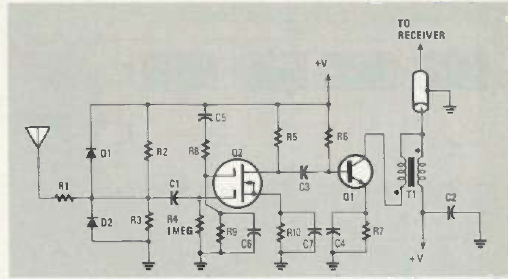
Se bem que use um FET de duplo canal, difícil de achar hoje, este circuito saiu numa Radio Electronics de abril de 1986. Ele serve como booster de sinais de uma ampla faixa de frequências.

Se bem que use um FET de duplo canal, difícil de achar hoje, este circuito saiu numa Radio Electronics de abril de 1986. Ele serve como booster de sinais de uma ampla faixa de frequências.
