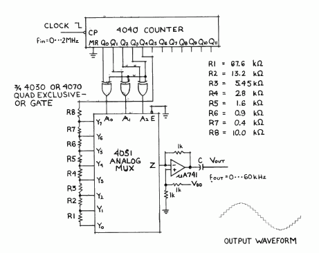
Encontramos este circuito gerador de sinais na revista Radio Electronics de novembro de 1978. O circuito emprega circuitos CMOS e tem uma frequência máxima de entrada de 2 MHz.

Encontramos este circuito gerador de sinais na revista Radio Electronics de novembro de 1978. O circuito emprega circuitos CMOS e tem uma frequência máxima de entrada de 2 MHz.
