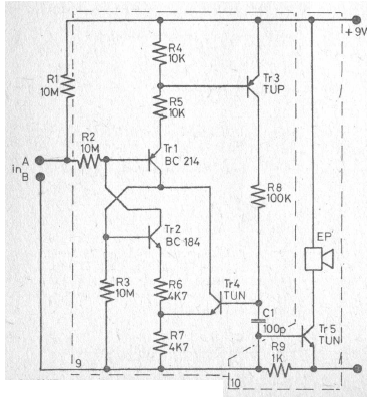
Os transistores deste circuito são tipos de uso geral, podendo ser usados equivalentes modernos. O circuito também serve como sensor de umidade.

Os transistores deste circuito são tipos de uso geral, podendo ser usados equivalentes modernos. O circuito também serve como sensor de umidade.
