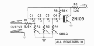
Este circuito deve ser usado com sinais de baixas frequências apenas. O circuito é de uma documentação dos anos 50 e o transistor é de germânio da época.

Este circuito deve ser usado com sinais de baixas frequências apenas. O circuito é de uma documentação dos anos 50 e o transistor é de germânio da época.
