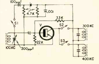
Este transmissor de dois canais de 300 kHz e 400 kHz para controle remoto de TV surgiu numa Radio Electronics de junho de 1952. Os transistores já estavam tomando conta das aplicações portáteis nesta época.

Este transmissor de dois canais de 300 kHz e 400 kHz para controle remoto de TV surgiu numa Radio Electronics de junho de 1952. Os transistores já estavam tomando conta das aplicações portáteis nesta época.
