Pesquisar
Pesquisar
Principal
Aprendendo Online
Automação
Bancada de Reparação
Circuitos
Dicas
Livros Técnicos
Novidades
Projetos e Artigos
Revistas
mais ...
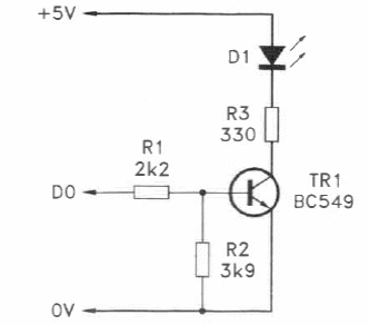
Driver de LED CIR20965S CB20550E (CIR22250)
Detalhes
Escrito por:
Newton C. Braga
Encontrado em documentação sobre PCs, este circuito excita LEDs cuja corrente é determinada por R3.
Últimas Notícias
A Próxima Fronteira: O Salto Quântico da Inovação Brasileira que Quer "Hackear" as Leis da Física (NS010)
Além da Terra: A tecnologia da USP que monitorou o bem-estar dos astronautas em missão à Lua (NS009)
Memória de Cristal: A tecnologia que vai eternizar o mundo em vidro (NS008)
Última Edição
Buscador de Datasheets
N° de Componente
NO YOUTUBE
NOSSO PODCAST
Recentes
Revista Mecatrônica Jovem - Edição 26 - Música
A Próxima Fronteira: O Salto Quântico da Inovação Brasileira que Quer "Hackear" as Leis da Física (NS010)
Relé ativado por som V2347S (V2885)
Teste de flyback V2290S (V2832)
Banco de Circuitos
Milivoltímetro DC CIR15333S CB8213E (CIR18303)
Filtro de ganho unitário de segunda ordem CIR25817S CB25817E (CIR26720)
Reversão de motor CIR22628S CB22082E (CIR21729)
Loto Eletrônica CIR24719S CB24768E (CIR25332)
Retardo de 1 minuto CIR20756S CB21408E (CIR20852)