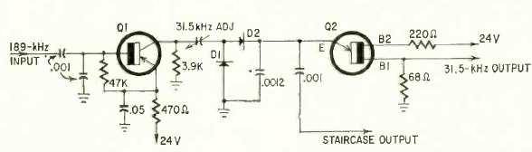
Encontramos este circuito de gerador de um sinal em forma de escada na revista Radio Electronics de agosto de 1966. O circuito utiliza um transistor unijunção como base.

Encontramos este circuito de gerador de um sinal em forma de escada na revista Radio Electronics de agosto de 1966. O circuito utiliza um transistor unijunção como base.
