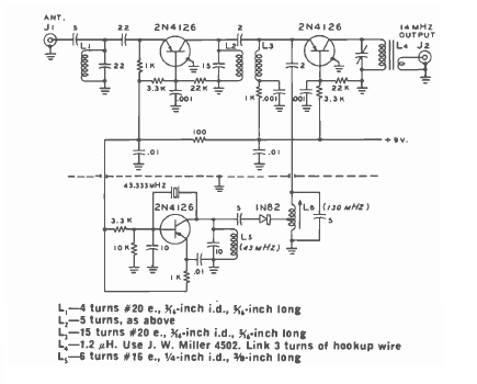
Encontramos este circuito num Rádio Handbook de 1977. Os dados para o enrolamento das bobinas foram fornecidos. Os demais componentes são comuns ou da época.

Encontramos este circuito num Rádio Handbook de 1977. Os dados para o enrolamento das bobinas foram fornecidos. Os demais componentes são comuns ou da época.
