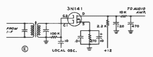
Encontramos este circuito num Radio Handbook de 1977. Ele pode ser adaptado a receptores comuns de comunicações.

 


 

 

 

 

NO YOUTUBE


NOSSO PODCAST