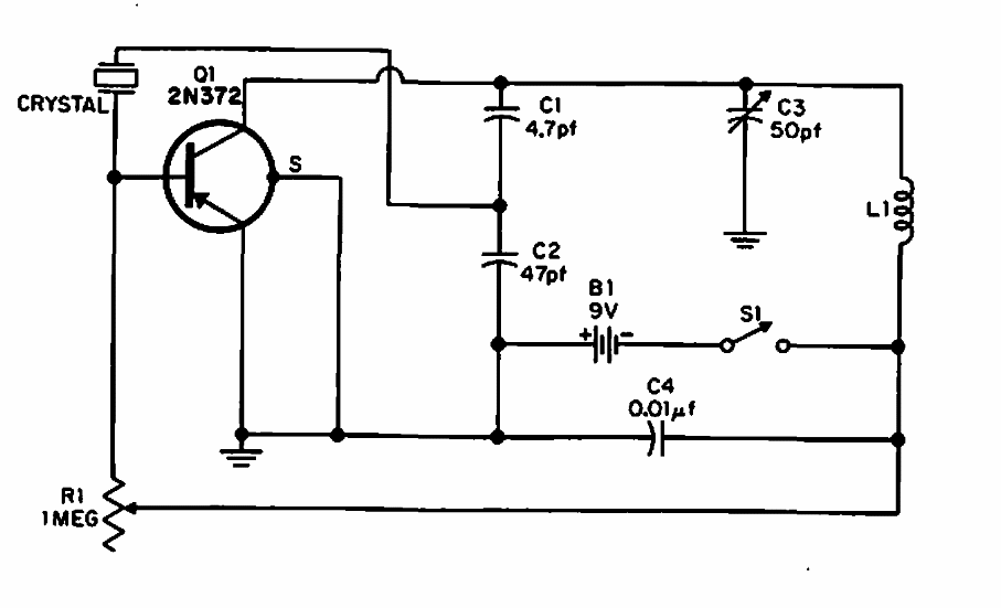
Este pequeno transmissor localizador foi encontrado em antiga documentação da Radio Shack. O transistor pode ser um BC548. O cristal determina a frequência de operação, podendo estar entre 5 e 20 MHz tipicamente.
Este pequeno transmissor localizador foi encontrado em antiga documentação da Radio Shack. O transistor pode ser um BC548. O cristal determina a frequência de operação, podendo estar entre 5 e 20 MHz tipicamente.