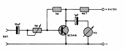
O instrumento deste circuito pode ser um microamperímetro comum. O circuito tem seu ponto de funcionamento ajustado no trimpot.

O instrumento deste circuito pode ser um microamperímetro comum. O circuito tem seu ponto de funcionamento ajustado no trimpot.
