()
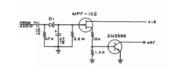
Este circuito, como o anterior, foi obtido num Radio Handbook de 1977. Os componentes são comuns, podendo ser usados equivalentes.

()
Este circuito, como o anterior, foi obtido num Radio Handbook de 1977. Os componentes são comuns, podendo ser usados equivalentes.
