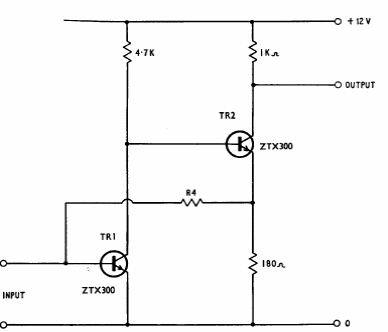
Este circuito foi retirado do manual de transistores Ferranti de 1974. Os transistores são tipos comuns na época. A faixa passante é de 9 MHz e o ganho de tensão 10.

Este circuito foi retirado do manual de transistores Ferranti de 1974. Os transistores são tipos comuns na época. A faixa passante é de 9 MHz e o ganho de tensão 10.
