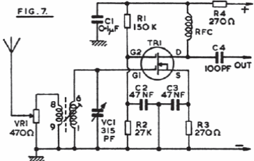
Destinado a amplificação de sinais da faixa de 1,7 MHz 1 30 MHz, este circuito usa um MOSFET de dupla comporta. Encontramos em uma documentação inglesa antiga.

Destinado a amplificação de sinais da faixa de 1,7 MHz 1 30 MHz, este circuito usa um MOSFET de dupla comporta. Encontramos em uma documentação inglesa antiga.
