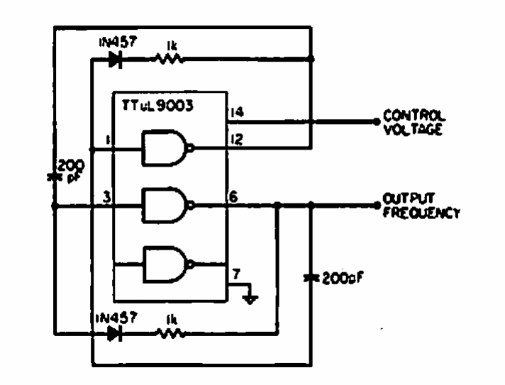
Este circuito foi encontrado numa EEE de 1968. O circuito faz uso de portas lógicas da época, podendo ser testados com equivalentes de famílias modernas.

 

 


| Clique na imagem para ampliar |

 

 

 

NO YOUTUBE


NOSSO PODCAST