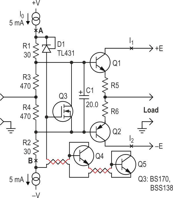
Com base no TL431, este circuito de configuração classe AB pode ser aplicado a circuitos de potência dos mais diversos valores. O circuito tem por base um regulador da Texas Instruments.

Com base no TL431, este circuito de configuração classe AB pode ser aplicado a circuitos de potência dos mais diversos valores. O circuito tem por base um regulador da Texas Instruments.
