Pesquisar
Pesquisar
Principal
Aprendendo Online
Automação
Bancada de Reparação
Circuitos
Dicas
Livros Técnicos
Novidades
Projetos e Artigos
Revistas
mais ...
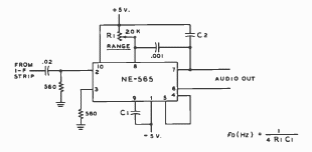
Demodulador de FM CIR22302S CB21752E (CIR21410)
Detalhes
Escrito por:
Newton C. Braga
Este circuito foi encontrado numa documentação de 1977. O circuito integrado usado é um PLL.
Últimas Notícias
A Próxima Fronteira: O Salto Quântico da Inovação Brasileira que Quer "Hackear" as Leis da Física (NS010)
Além da Terra: A tecnologia da USP que monitorou o bem-estar dos astronautas em missão à Lua (NS009)
Memória de Cristal: A tecnologia que vai eternizar o mundo em vidro (NS008)
Última Edição
Buscador de Datasheets
N° de Componente
NO YOUTUBE
NOSSO PODCAST
Recentes
Revista Mecatrônica Jovem - Edição 26 - Música
A Próxima Fronteira: O Salto Quântico da Inovação Brasileira que Quer "Hackear" as Leis da Física (NS010)
Relé ativado por som V2347S (V2885)
Teste de flyback V2290S (V2832)
Banco de Circuitos
Milivoltímetro DC CIR15333S CB8213E (CIR18303)
Proteção contra inversão de polaridade 2 CIR22693S CB22140E (CIR21788)
LM3914 Básico CIR25072S CB25110E (CIR25993)
Seguidor de tensão DC com o LM741 CIR25223S COM25923E (CIR26108)
Etapa de coletor comum CIR22829S CB22226E (CIR21924)