Amplificador de FI com o S041P CB21890E CIR22436S (CIR21545)
Detalhes
Escrito por: Newton C. Braga
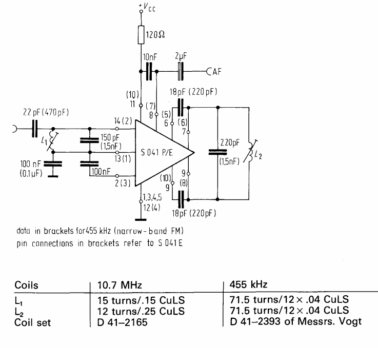
Encontrado no manual de transistores Siemens de 1976, este circuito funciona com sinais de FIs de AM ou FM. No diagrama são dadas informações para as bobinas.