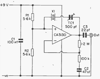
Este oscilador com o CA3130 foi obtido numa publicação inglesa de 1977. O circuito não precisa de fonte simétrica e cristais de frequências menores podem ser utilizados.

Este oscilador com o CA3130 foi obtido numa publicação inglesa de 1977. O circuito não precisa de fonte simétrica e cristais de frequências menores podem ser utilizados.
