Pesquisar
Pesquisar
Principal
Aprendendo Online
Automação
Bancada de Reparação
Circuitos
Dicas
Livros Técnicos
Novidades
Projetos e Artigos
Revistas
mais ...
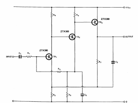
Amplificador de 3 transistores CB21858E CIR22408S (CIR21516)
Detalhes
Escrito por:
Newton C. Braga
Encontrado no manual de transistores Ferranti de 1974, este circuito usa componentes da época.
Últimas Notícias
Além da Terra: A tecnologia da USP que monitorou o bem-estar dos astronautas em missão à Lua (NS009)
Memória de Cristal: A tecnologia que vai eternizar o mundo em vidro (NS008)
Sons do invisível: o mistério que a ciência investiga na Terra e na Lua (NS007)
Última Edição
Buscador de Datasheets
N° de Componente
NO YOUTUBE
NOSSO PODCAST
Recentes
Amplificador diferencial (V1169)
Amplificador de 4 entradas (V408)
Saída em push pull com o 2N108 V2315S (V2854)
Controle de tom e unidade de compensação V2233S (V2776)
Banco de Circuitos
Milivoltímetro DC CIR15333S CB8213E (CIR18303)
Sirene CIR22723S CB22172E (CIR21820)
Comutador de RF CIR24654S CB24705E (CIR25180)
Comutador de potência CB24697E (CIR25172)
Circuito de reset automático para controle infravermelho CIR24782S CB24832E (CIR25387)