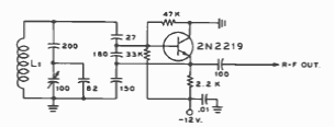
Este tipo de oscilador foi encontrado num Radio Handbook de 1977. O circuito opera entre 5 e 5,6 MHz com os componentes sugeridos.

Este tipo de oscilador foi encontrado num Radio Handbook de 1977. O circuito opera entre 5 e 5,6 MHz com os componentes sugeridos.
