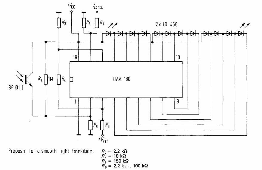
Encontramos esta escala de LEDs com o UAA180 no manual de circuitos integrados da Siemens de 1976. A tensão máxima de alimentação é de 18 V.

 


| Clique na imagem para ampliar |

 

 

 

NO YOUTUBE


NOSSO PODCAST