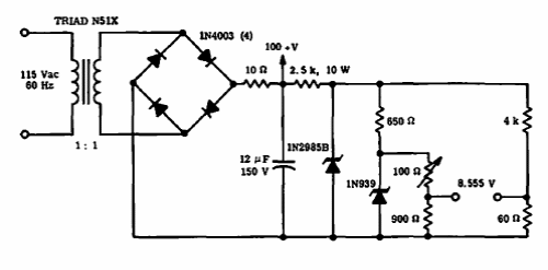
Este circuito foi encontrado em um manual da Motorola de1967. Sua finalidade é proporcionar uma tensão de referência muito precisa de 0,555 V.

Este circuito foi encontrado em um manual da Motorola de1967. Sua finalidade é proporcionar uma tensão de referência muito precisa de 0,555 V.
