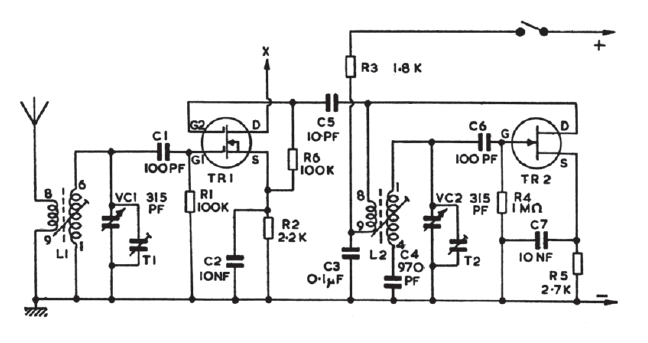
Encontramos este circuito numa documentação inglesa antiga. Os transistores admitem equivalentes modernos. O circuito converte sinais da faixa de 5 a 15 MHz para a sintonia num rádio de ondas médias comum.
Encontramos este circuito numa documentação inglesa antiga. Os transistores admitem equivalentes modernos. O circuito converte sinais da faixa de 5 a 15 MHz para a sintonia num rádio de ondas médias comum.