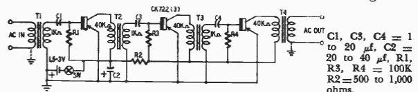
Este circuito é de um livro de transistores de 1954. Os transistores são da época e o ganho obtido é da ordem de 80 dB. Os valores dos componentes são dados ao lado do diagrama.

Este circuito é de um livro de transistores de 1954. Os transistores são da época e o ganho obtido é da ordem de 80 dB. Os valores dos componentes são dados ao lado do diagrama.
