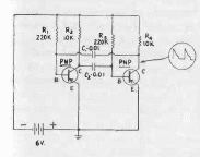
Este astável para transistores de germânio foi encontrado numa publicação de 1956. Pode ser implementado com transistores modernos. Os capacitores determinam a frequência.

Este astável para transistores de germânio foi encontrado numa publicação de 1956. Pode ser implementado com transistores modernos. Os capacitores determinam a frequência.
