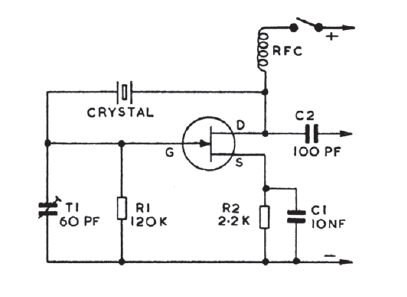
Este circuito pode oscilar em frequências até algumas dezenas de megahertz dependendo do cristal. O transistor pode ser qualquer um de uso geral JFET.

Este circuito pode oscilar em frequências até algumas dezenas de megahertz dependendo do cristal. O transistor pode ser qualquer um de uso geral JFET.
