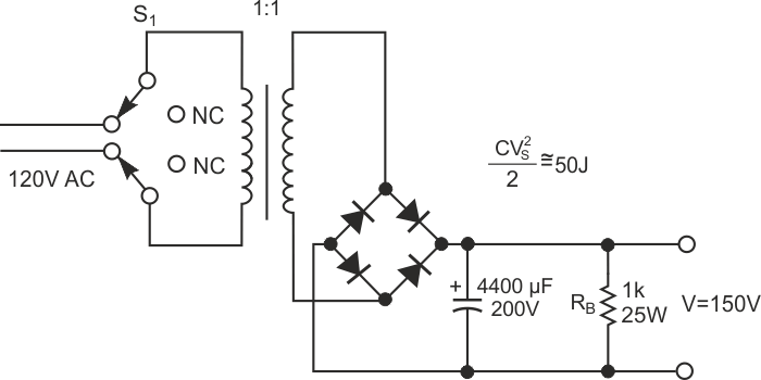
Em fontes de alta tensão é recomendável descarregar rapidamente os capacitores de filtro para se evitar choques num eventual contato, durante uma manutenção. Um resistor de 1k com dissipação apropriada consiste numa boa solução.
Em fontes de alta tensão é recomendável descarregar rapidamente os capacitores de filtro para se evitar choques num eventual contato, durante uma manutenção. Um resistor de 1k com dissipação apropriada consiste numa boa solução.