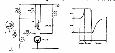
Este oscilador sincronizado por pulsos foi encontrado num manual da Mullard de 1960. Os transistores são de germânio e a frequência dada pelas bobinas e capacitor associado (C2).

Este oscilador sincronizado por pulsos foi encontrado num manual da Mullard de 1960. Os transistores são de germânio e a frequência dada pelas bobinas e capacitor associado (C2).
