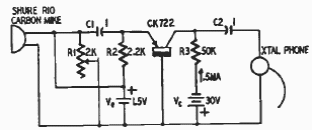
Este circuito para fones magnéticos de alta impedância foi sugerido como amplificador experimental para ajuda auditiva numa publicação sobre transistores de 1954. O microfone é do tipo de carvão, comum na época.

Este circuito para fones magnéticos de alta impedância foi sugerido como amplificador experimental para ajuda auditiva numa publicação sobre transistores de 1954. O microfone é do tipo de carvão, comum na época.
