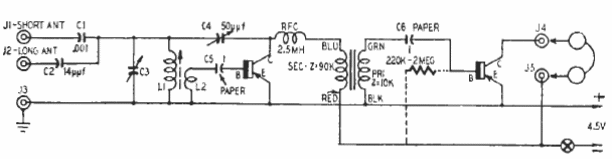
Este receptor usa um dos primeiros tipos de transistor disponível no mercado, o CK722, mas pode ser implementado com outros. O circuito é de um manual da Raytheon dos anos 60.

Este receptor usa um dos primeiros tipos de transistor disponível no mercado, o CK722, mas pode ser implementado com outros. O circuito é de um manual da Raytheon dos anos 60.
