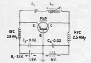
Este circuito foi encontrado num manual de transistores de 1956. O circuito se aplica a transistores de germânio da época, mas pode ser adaptado para operar com transistores modernos.

Este circuito foi encontrado num manual de transistores de 1956. O circuito se aplica a transistores de germânio da época, mas pode ser adaptado para operar com transistores modernos.
