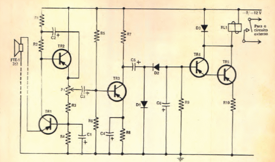
Este circuito foi encontrado numa Eletrônica Popular de 1969. O circuito usa um pequeno alto-falante como microfone. Transistores equivalentes modernos podem ser utilizados.


Este circuito foi encontrado numa Eletrônica Popular de 1969. O circuito usa um pequeno alto-falante como microfone. Transistores equivalentes modernos podem ser utilizados.

