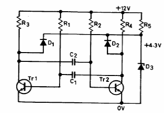
Este circuito foi encontrado num manual de transistores Ferranti de 1974. Os transistores são de uso geral e a frequência é de 1 MHz aproximadamente.


Este circuito foi encontrado num manual de transistores Ferranti de 1974. Os transistores são de uso geral e a frequência é de 1 MHz aproximadamente.

