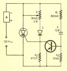
Encontramos este controle de potência numa Eletrônica Popular de maio de 1967. O transistor é um PNP de uso geral para pelo menos 50 V. O SCR depende da carga controlada.

Encontramos este controle de potência numa Eletrônica Popular de maio de 1967. O transistor é um PNP de uso geral para pelo menos 50 V. O SCR depende da carga controlada.
