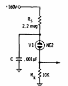
Encontrado numa documentação antiga sobre lâmpadas neon, este circuito tem a frequência basicamente determinada pelo capacitor C. Observe a alta tensão de alimentação.

Encontrado numa documentação antiga sobre lâmpadas neon, este circuito tem a frequência basicamente determinada pelo capacitor C. Observe a alta tensão de alimentação.
